Zahnkeimverdrängung durch ein Myofibrom
Kasuistik
Bei einem dreieinhalb Jahre alten Mädchen trat eine Schwellung im Bereich des linken Oberkiefers auf, die innerhalb von drei Wochen sehr schnell an Größe zunahm. Klinisch erkennbar war eine massive Vorwölbung der palatinalen Schleimhaut im Bereich der linken oberen Milchmolaren (Abb. 1). Im Zentrum der palatinalen Vorwölbung zeigte der großflächige Schleimhautdefekt ein gelbfarbenes Tumorgewebe. Im Orthopantomogramm war die Verdrängung der Zahnanlage 26 erkennbar (Abb. 2).
Unter dem Verdacht eines malignen Tumors wurde das Kind stationär aufgenommen und eine CT-Diagnostik sowie eine Gewebeprobeentnahme durchgeführt. Das Computertomogramm zeigte einen bis zu drei Zentimeter im Durchmesser großen Tumor im Bereich des linken Oberkiefers mit Osteolyse der Maxilla und Verdrängung der Zahnanlage des Zahnes 26 (Abb.3).
Die histologische Untersuchung der Gewebeprobe ergab die Diagnose eines Myofibroms. Diese Diagnose wurde auch von einer Referenzpathologie bestätigt. Die umfangreichen Untersuchungen des Kindes zeigten keine weiteren Tumoren dieses Typs, so dass es sich hier um ein solitäres Myofibrom handelte.
Der Tumor wurde unter Mitnahme des betroffenen Alveolarfortsatzes und der benachbarten Milchmolaren reseziert (Abb. 4) wobei der durch den Tumor verlagerte Keim des Zahnes 26 erhalten bleiben konnte (Abb. 5 und 6). Auch mehrere Jahre nach der Resektion trat kein Rezidiv dieses Tumors auf, und der Zahn 26 konnte in den Zahnbogen eingeordnet werden.
Diskussion
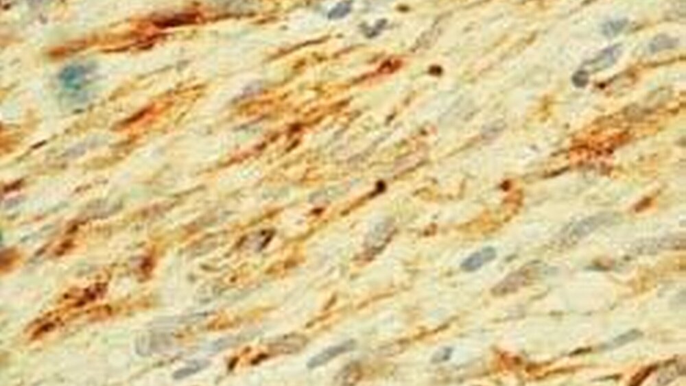
Das Myofibrom ist ein seltener, prinzipiell gutartiger Tumor der aus Myofibroblasten besteht. Diese Zellen besitzen Eigenschaften sowohl von Fibroblasten als auch von glatten Muskelzellen. Histologisch zeigen sich fischzugartig parallel angeordnete Zellen mit länglich ovalen Zellkernen und ohne Zeichen der Malignität (Abb. 7). Im-munhistochemisch reagiert das Gewebe mit Antikörpern gegen Muskel-Aktin (Abb. 8).
Obwohl ursprünglich beschrieben wurde, dass dieser Tumor multizentrisch und insbesondere bei Kleinkindern vorkommt (infantile Myofibromatose) [Stout, 1954], hat sich nachfolgend gezeigt, dass er meist solitär präsent ist und praktisch in jedem Lebensalter auftreten kann [Chung und Enzinger, 1981; Jones et al., 1994; Lingen et al., 1995; Foss et al., 2000]. Das Myofibrom ist selten, zeigt aber eine Prädilektion für den Kiefer- und Gesichtsbereich, wobei hier jede Region betroffen sein kann [Matthews et al., 1990; Foss et al., 2000]. Trotz seiner Gutartigkeit wächst das Myofibrom typischerweise, wie auch im vorliegenden Fall, relativ schnell. Ein intraossär gelegener Tumor zeigt im Röntgenbild häufig auch eine unscharf begrenzte Osteolysezone [Foss et al., 2000].
Die multizentrische Myofibromatose betrifft vor allem Neugeborene und Kleinkinder, wobei hier Tumoren im Bereich der Haut, des Unterhautgewebes, der Muskulatur, des Knochens und der inneren Organe vorkommen können. Solitäre Myofibrome haben eine gute Prognose und zeigen nach ausreichender Resektion nur selten Rezidive [Foss et al., 2000; Lingen et al., 1995]. Vereinzelt wurde auch eine spontane Regression beobachtet [Jones et al., 1994]. In Fällen mit multiplem Befall innerer Organe kann die Myofibromatose jedoch auch aggressiver verlaufen und prognostisch deutlich ungünstiger sein [Jones et al., 1994].
Dieser klinische Fall demonstriert exemplarisch die klinische Symptomatik, die notwendige Diagnostik und die sich daraus ergebende Therapie eines enoralen Tumors im Kindesalter.
Prof. Dr. Dr. Torsten E. ReichertPD Dr. Dr. Martin KunkelKlinik für Mund-, Kiefer- und GesichtschirurgieJohannes Gutenberg-UniversitätAugustusplatz 255131 Mainz




